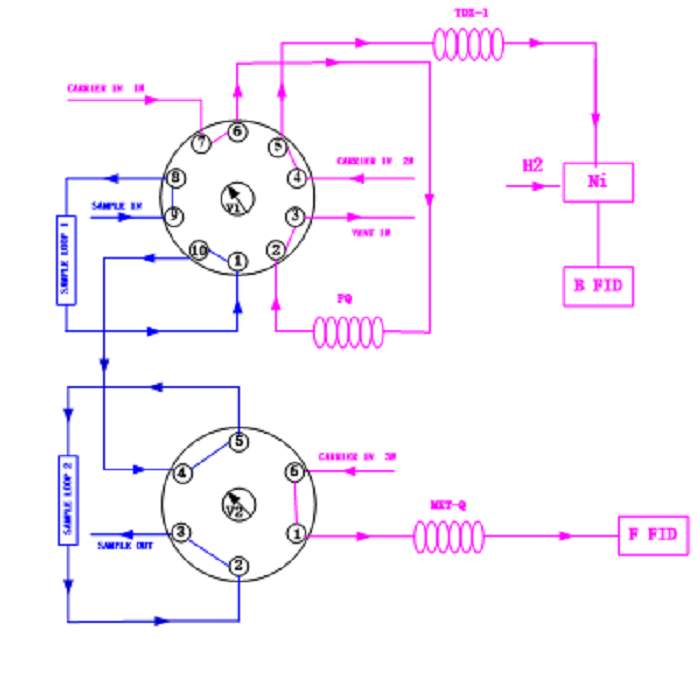
光催化 应用方案1:石脑油中含氧化合物分析
光催化 应用方案2:CO2还原产物分析方案
应用方案:玫瑰烷含量的测定
应用方案:松节油含量的测定
应用方案:薄荷油含量的测定
应用方案:水质检测
应用方案:环境空气和废气(GC)
应用方案:室内空气检测
应用方案:司法鉴定
应用方案:工作场所(职业卫生)
应用方案:土壤、沉积物、固体废弃物
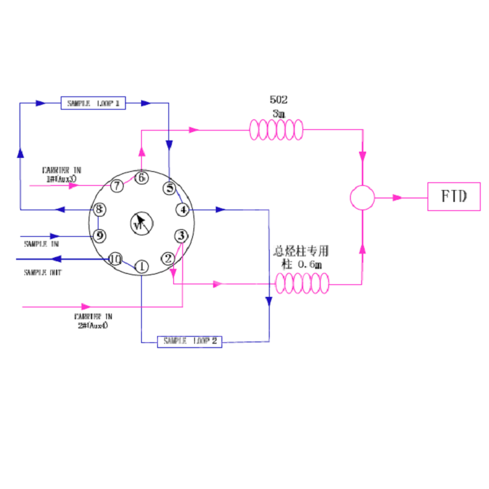
应用方案:非甲烷总烃